Ob einzeln oder in der Reihe geschaltet, im Innen- oder Außenbereich: Drehsperren sind die gängigste Art der Zutrittskontrolle und zeichnen sich durch ihre variablen Einsatzmöglichkeiten aus. Im normalen Betriebszustand hält eine elektrische Bremse den Drehstern in gesperrter Stellung. Bei Freigabe durch ein Lesersystem oder bei manueller Freigabe zum Beispiel per Bedientableau wird diese Bremse gelöst und der Durchgang freigegeben. Ein leichter Druck genügt, um den Antrieb auszulösen und hindurchzugehen. Alle Drehsperren der GU-Gruppe sind als Dreiarm-Drehsperren oder für barrierefreie und fluchtwegergänzende Zutrittslösungen als Zweiarm-Drehsperre erhältlich.
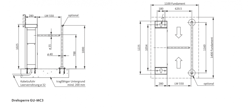
Wer bei Personenvereinzelungsanlagen auf eine robuste Bauweise, eine hohe Personenfrequenz und eine kostengünstige Lösung setzt, trifft mit der motorgetriebenen Drehsperre GU-MC2 / GU-MC3 die richtige Wahl. Mit ihrem abgekanteten, robusten und vandalismusresistenten Edelstahlgehäuse ist die kostengünstige Drehsperre besonders für stark frequentierte Bereiche im Innenraum geeignet. Ausgestattet mit dem optionalen Winterpaket widersteht sie auch harten Witterungsbedingungen im ungeschützten Außenbereich.
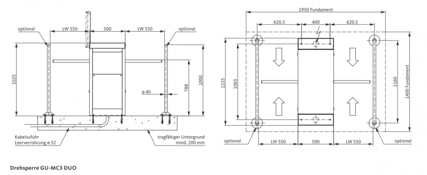
Durch den beidseitigen Drehstern ist die Drehsperre GU-MC2 DUO / GU-MC3 DUO für den Aufbau mehrspuriger Anordnungen, besonders in hochfrequentierten Bereichen geeignet.
Bezeichnung | GU-MC2 / GU-MC3 | GU-MC2 DUO / GU-MC3 DUO |
|---|---|---|
Durchgang | 550mm | 2 x 550mm |
Länge | 1225mm | 1225mm |
Breite | 280mm | 500mm |
Höhe | 1025mm | 1025mm |
Gewicht | ca. 70kg | ca. 140kg |
Anschlussspannung | 230 V AC ~ 50-60Hz | 230 V AC ~ 50-60Hz |
Leistungsaufnahme | 80 VA | 160 VA |
Material | Edelstahl 1.4301 | Edelstahl 1.4301 |
Schliff | Korn 220 | Korn 220 |
Kommunikation | potentialfreie Kontakte | potentialfreie Kontakte |
Sonderausführungen auf Anfrage | ||
Ausführungen
Bezeichnung | GU-MT2 / GU-MT3 |
|---|---|
Durchgang | 550mm |
Länge | 1285mm |
Breite | 280mm |
Höhe | 1025mm |
Gewicht | ca. 70kg |
Anschlussspannung | 230 V AC ~ 50-60Hz |
Leistungsaufnahme | 80 VA |
Material | Edelstahl 1.4301 |
Schliff | Korn 220 |
Kommunikation | potentialfreie Kontakte |
Sonderausführungen auf Anfrage | |
Ausführungen
Bezeichnung | GU-CM2 / GU-CM3 |
|---|---|
Durchgang | 570mm |
Länge | 350mm |
Breite | 305mm |
Höhe | 1000 - 1365mm (höhenverstellbar) |
Gewicht | ca. 45kg |
Anschlussspannung | 230 V AC ~ 50-60Hz |
Leistungsaufnahme | 80 VA |
Material | Edelstahl 1.4301 |
Schliff | Korn 220 |
Kommunikation | potentialfreie Kontakte |
Sonderausführungen auf Anfrage. | |
Drehsperren sind die gängigste Art der Zutritts kontrolle und zeichnen sich durch ihre variablen Einsatzmöglichkeiten aus.
GU Automatic GmbH
Karl-Schiller-Straße 12
33397 Rietberg
Deutschland