Schwenktüren

Für Eltern mit Kinderwagen, Personen im Rollstuhl und Reisende mit Gepäck stellen Drehsperren und Vertikal-Drehkreuze Hindernisse dar. Durch die Kombination mit Motor-Schwenktüren der GU-Gruppe wird die Personenvereinzelungsanlage für alle einfach passierbar – in beide Richtungen. Die Schwenktüren bestehen aus rostfreien Materialien und eignen sich damit für Bürogebäude genauso wie für Freizeiteinrichtungen oder Flughäfen. Das integrierte Planetengetriebe sorgt bei gegenübergestellten Doppeleingängen für eine präzise und sichere Nullposition.

Ausführungsvarianten:

 

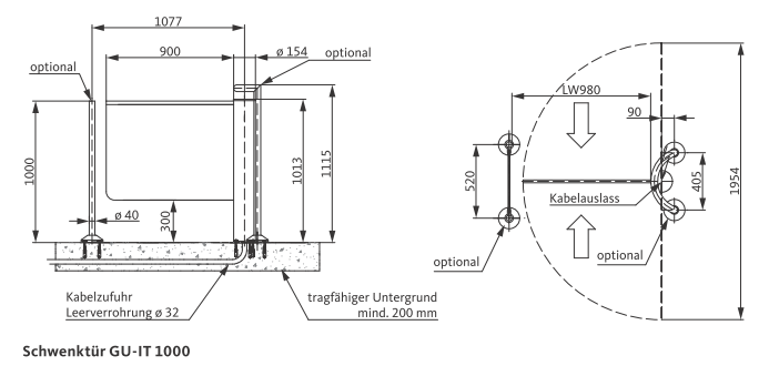
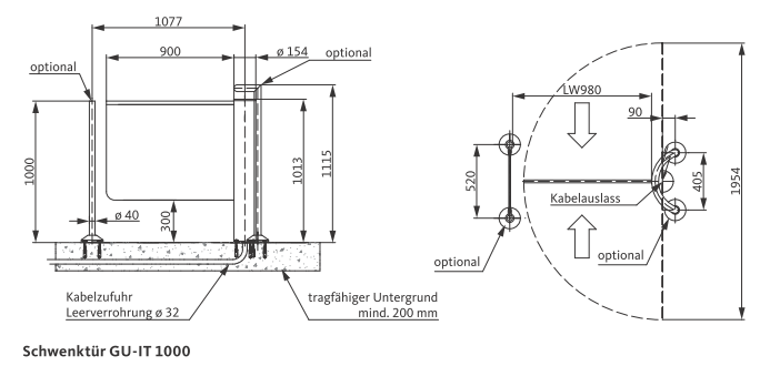
Schwenktür GU-IT 1000

Durch den Antrieb in der Achse des Sperrelementes und den dezenten Glasflügel harmoniert die elegante Schwenktür GU-IT 1000 perfekt mit den unterschiedlichsten Architekturkonzepten. Die hochwertige Kombination aus Glas und Edelstahl kommt mit dem Vertikaldrehkreuz GU-GT 1000 besonders zur Geltung. Benutzer der GU-IT 1000 profitieren vom leichten und leisen Lauf, Gebäudebetreiber von der wartungsarmen Mechanik.

Produktmerkmale:

  • Automatikantrieb für angenehmes Begehen
  • Geeignet für den Ein- und Zweirichtungsbetrieb
  • Integration von Zutrittskontrollsystemen in separater Lesersäule
 

Bezeichnung

Schwenktür GU-IT 1000

Durchgang

980mm

Länge

154mm

Breite

1055mm

Höhe

1000mm

Gewicht

ca. 50kg

Anschlussspannung

230 V AC ~ 50-60Hz

Leistungsaufnahme

80 VA

Material

Edelstahl 1.4301

Schliff

Korn 220

Kommunikation

potentialfreie Kontakte

Sonderausführungen auf Anfrage

 
 

 
 

Schwenktür GU-IH 1000

Die optimale Ergänzung für Personenvereinzelungsanlagen: Die Schwenktür GU-IH 1000 sorgt in Personenvereinzelungsanlagen für barrierefreien Zugang mit Kinderwagen, Rollstuhl oder Gepäck. Rostfrei, widerstandsfähig und langlebig ist sie auf hohen Personendurchsatz ausgelegt. Mit dem im Sperrelement integrierten Antrieb und der dezenten Edelstahl-Optik lässt sich die Schwenktür leicht in die Architektur integrieren.

Produktmerkmale:

  • Automatikantrieb für angenehmes Begehen
  • Geeignet für den Ein- und Zweirichtungsbetrieb
  • Integration von Zutrittskontrollsystemen in separater Lesersäule
 

Tech­ni­sche Daten

Bezeichnung

Vertikaldrehkreuz GU-VA 1100

Durchgang

980mm

Länge

154mm

Breite

1055mm

Höhe

1000mm

Gewicht

ca. 50kg

Anschlussspannung

230 V AC ~ 50-60Hz

Leistungsaufnahme

80 VA

Material

Edelstahl 1.4301

Schliff

Korn 220

Kommunikation

potentialfreie Kontakte

Sonderausführungen auf Anfrage

Downloads

 
 
FTA Gründungsmitglied und IHK Ausbildungsbetrieb
 

GU Automatic GmbH
Karl-Schiller-Straße 12
33397 Rietberg
Deutschland

  • 24 Stunden Service-Hotline

  • 01805242111*

  • *= (14ct./Min. aus dem Festnetz, Mobilfunk max. 42ct/Min.)
 

Datenschutzhinweis

Um den Besuch unserer Website attraktiv zu gestalten und die Nutzung bestimmter Funktionalitäten zu ermöglichen, verwenden wir Cookies. Neben technisch notwendigen Cookies verwenden wir auf verschiedenen Seiten Cookies von Dritten (Google Fonts,Google Maps, YouTube) und zu Analyse-Zwecken Tracking-Tools (Google Analytics, Website Analytics-Matomo). Sofern Sie die Nutzung von Cookies nicht akzeptieren, können wir eine uneingeschränkte Nutzung der Webseite nicht garantieren. Weitere Informationen über unsere Verwendung von Cookies und wie Sie Ihre Cookie-Einstellungen verwalten können finden Sie in unseren Datenschutzinformationen.