Portaldrehkreuze

Ob im Werkschutz oder in Freizeiteinrichtungen, in Stadien oder in Übergängen zwischen Gebäude und Tiefgarage: Motorgetriebene Portaldrehsperren der GU-Gruppe decken durch ihre Vielfalt an Ausführungen und Ausstattungen sämtliche Bedürfnisse der sicheren Personenvereinzelung im Außenbereich ab. Bewährte Standard-Baugruppen in Kombination mit verschiedenen Dach- und Beleuchtungsvarianten erfüllen die unterschiedlichsten Kundenwünsche – im Neubau genauso wie in der Nachrüstung. Alle Portaldrehkreuze der GU-Gruppe bieten durch die 120°-Teilung hohen Durchgangskomfort bei sicherer Vereinzelung.

 
 

Ausführungsvarianten:

 

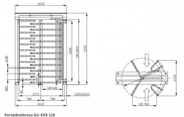
Bezeichnung

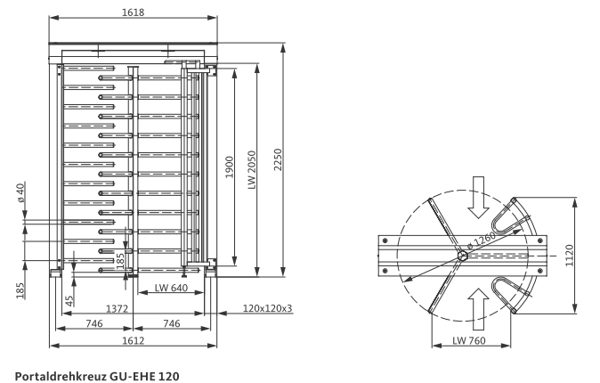
GU-EHE120

Durchgang

640 mm

Länge

1260 mm

Breite

1618 mm

Höhe

2250 mm

Gewicht

ca. 230 kg

Anschlussspannung

230 V AC ~50-60 Hz

Leistungsaufnahme

100 VA

Material

Edelstahl 1.4301, Aluminium pulverbeschichtet

Schliff 

Korn 220 

Kommunikation

potentialfreie Kontakte

Portaldrehkreuz GU-EHE 120

Passt in jede Zutrittslösung und in jedes Budget

Das motorgetriebene Portaldrehkreuz GU-EHE 120 mit Drehstern und Abweisrechen aus rostfreiem Edelstahl eignet sich hervorragend für den Werkschutz im Außenbereich sowie für Stadien und Übergänge von Tiefgaragen zu Gebäuden. Dank kleiner Baugröße fügt es sich harmonisch in Zaunanlagen ein. Das Portaldrehkreuz GU-EHE 120 bietet durch die 120°-Teilung hohen Durchgangskomfort bei sicherer Vereinzelung. 

Produktmerkmale

  • Mit Servoantrieb für angenehmes Begehen
  • Geeignet für den Ein- und Zweirichtungsbetrieb
  • Optional mit mechanischer Sperreinrichtung bei Stromausfall (eine Richtung frei, eine Richtung gesperrt)
 
 
 

 
 

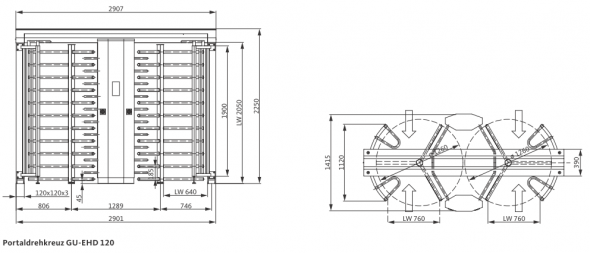
Bezeichnung

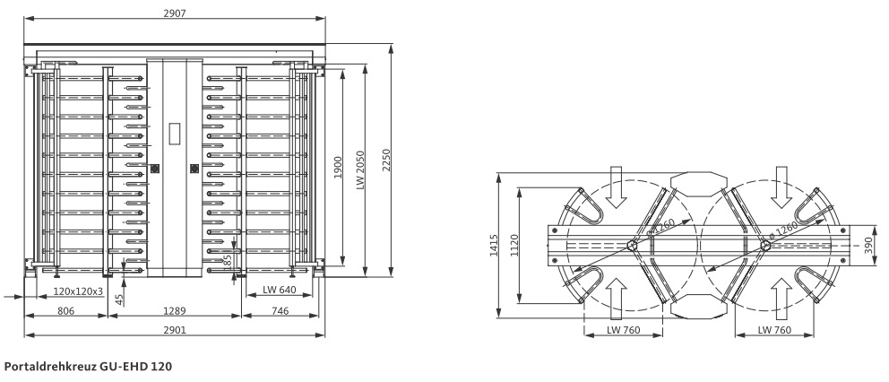
GU-EHD 120

Durchgang

2 x 640 mm

Länge

1415 mm

Breite

2907 mm

Höhe

2250 mm

Gewicht

ca. 450 kg

Anschlussspannung

230 V AC ~50-60 Hz

Leistungsaufnahme

200 VA

Material

Edelstahl 1.4301, Aluminium pulverbeschichtet

Schliff 

Korn 220 

Kommunikation

potentialfreie Kontakte

Portaldrehkreuz GU-EHD 120

Doppelte Effizienz

Das motorgetriebene Portaldrehkreuz GU-EHD 120 ist die Doppel-Ausführung des GU-EHE 120. Drehstern und Sperrelemente sind aus rostfreiem Edelstahl gefertigt. Die Brücke mit Abdeckblechen sowie die Mittelbox sind feuerverzinkt und pulverbeschichtet. Das Portaldrehkreuz GU-EHD 120 eignet sich optimal für hohe Personenfrequenzen im Außenbereich. Die Mittelbox bietet Einbaumöglichkeiten für Kartenleser, Gegensprechanlagen und weitere Arten von Zutrittskontrollsystemen. Die wartungsfreundliche Steuerung ist oben in der Brücke untergebracht.

 
 

Produktmerkmale

  • Mit Servoantrieb für angenehmes Begehen
  • Geeignet für den Ein- und Zweirichtungsbetrieb
  • Optional mit mechanischer Sperreinrichtung bei Stromausfall (eine Richtung frei, eine Richtung gesperrt)
  • Optional mit Dach in unterschiedlichen Ausführungen
 
 
 

 
 

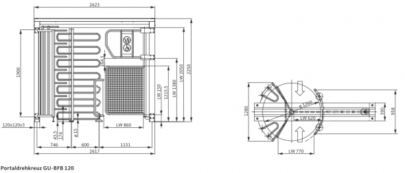
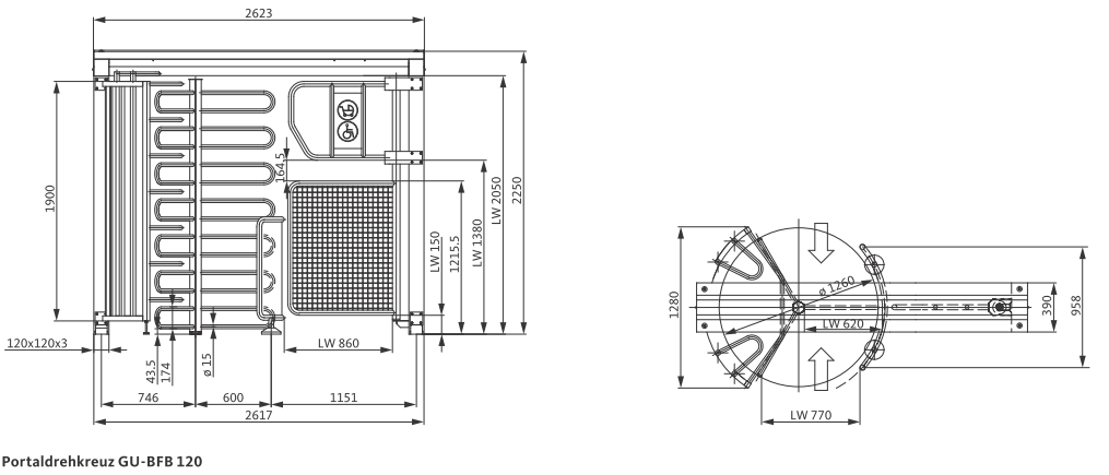
Bezeichnung

GU-BFB 120

Durchgang

620 mm

Länge

1280 mm

Breite

2623 mm

Höhe

2250 mm

Gewicht

ca. 380 kg

Anschlussspannung

230 V AC ~50-60 Hz

Leistungsaufnahme

200 VA

Material

Edelstahl 1.4301, Aluminium pulverbeschichtet

Schliff 

Korn 220 

Kommunikation

potentialfreie Kontakte

Portaldrehkreuz GU-BFB 120

Damit sind alle willkommen

Das motorgetriebene Portaldrehkreuz GU-BFB 120 ermöglicht die barrierefreie Durchfahrt mit Rollstühlen und die Mitnahme von Kinderwagen, Gepäck oder Fahrrädern. Drehstern, Sperrbügel sowie die Tür und das Fixteil sind aus rostfreiem Edelstahl gefertigt. Es ist besonders für den Werkschutz im Außenbereich sowie für Freizeiteinrichtungen und Übergänge von Tiefgaragen zu Gebäuden geeignet. Das Portaldrehkreuz GU-BFB 120 bietet durch seine 120°-Teilung hohen Durchgangskomfort bei zuverlässiger Vereinzelung.

 
 

Produktmerkmale

  • Mit Servoantrieb für angenehmes Begehen
  • Geeignet für den Ein- und Zweirichtungsbetrieb
  • Optional mit mechanischer Sperreinrichtung bei Stromausfall (eine Richtung frei, eine Richtung gesperrt)
  • Optional mit Dach in unterschiedlichen Ausführungen
 

  • Sonderausführungen auf Anfrage!

Downloads

 
 
FTA Gründungsmitglied und IHK Ausbildungsbetrieb
 

GU Automatic GmbH
Karl-Schiller-Straße 12
33397 Rietberg
Deutschland

  • 24 Stunden Service-Hotline

  • 01805242111*

  • *= (14ct./Min. aus dem Festnetz, Mobilfunk max. 42ct/Min.)
 

Datenschutzhinweis

Um den Besuch unserer Website attraktiv zu gestalten und die Nutzung bestimmter Funktionalitäten zu ermöglichen, verwenden wir Cookies. Neben technisch notwendigen Cookies verwenden wir auf verschiedenen Seiten Cookies von Dritten (Google Fonts,Google Maps, YouTube) und zu Analyse-Zwecken Tracking-Tools (Google Analytics, Website Analytics-Matomo). Sofern Sie die Nutzung von Cookies nicht akzeptieren, können wir eine uneingeschränkte Nutzung der Webseite nicht garantieren. Weitere Informationen über unsere Verwendung von Cookies und wie Sie Ihre Cookie-Einstellungen verwalten können finden Sie in unseren Datenschutzinformationen.